压缩
0-3000 lb to 0-150,000 lb
0-1361 kgf to 0-68,058 kgf
1 Newton = 0.2248 lb
1 daNewton = 10 Newtons
1 lb = 454 g
1 t = 1000 kgf = 2204 lb
称重传感器规格
输出:2 mV/V(标称值)
输入:10 Vdc(至大15V)
线性度:±0.5% FSO
重复性:±0.1% FSO
零点余额:±2.0% FSO
工作温度范围:-54至121℃(-65至250℉)
补偿温度范围:16至71℃(60至160℉)
热效应:
零点:±0.009% FSO/℃
量程:±0.018% rdg/℃
an全过载:容量的150%
极限过载:容量的300%
输入电阻:至小360 Ω
输出电阻:350 ±5 Ω
满量程偏转:0.08 mm(0.003“)标称值
结构:17-4 PH不锈钢
电气:1.5m(5')4芯屏蔽电缆

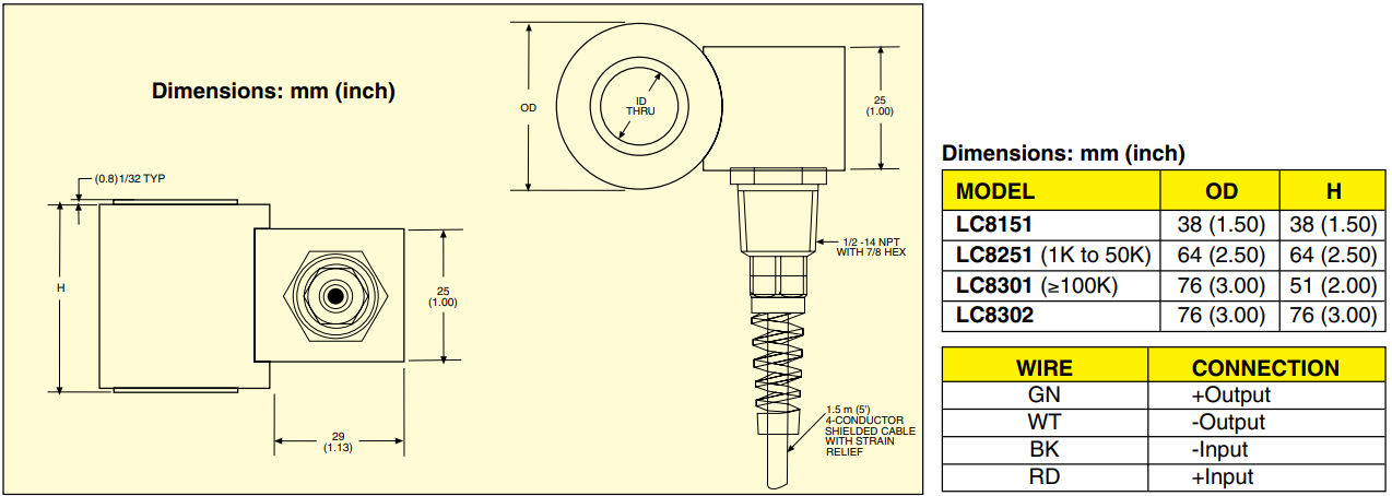
OMEGA称重传感器订货信息:
| 型号 | CAPACITY | ID | 兼容的仪表** |
| LC8151-500-3K | 3000 lb | 1350 kgf | 0.50 | DP41-S,DP25B-S,DPiS |
| LC8151-500-5K | 5000 lb | 2275 kgf | 0.50 | DP41-S,DP25B-S,DPiS |
| LC8151-500-10K | 10,000 lb | 4500 kgf | 0.50 | DP41-S,DP25B-S,DPiS |
| LC8151-500-20K | 20,000 lb | 9100 kgf | 0.50 | DP41-S,DP25B-S,DPiS |
| LC8151-750-10K | 10,000 lb | 4500 kgf | 0.75 | DP41-S,DP25B-S,DPiS |
| LC8151-750-25K | 25,000 lb | 11,250 kgf | 0.75 | DP41-S,DP25B-S,DPiS* |
| LC8251-126-50K | 50,000 lb | 22,500 kgf | 1.26 | DP41-S,DP25B-S,DPiS* |
| LC8251-126-75K | 75,000 lb | 34,000 kgf | 1.26 | DP41-S,DP25B-S,DPiS* |
| LC8251-126-100K | 100,000 lb | 45,210 kgf | 1.26 | DP41-S,DP25B-S,DPiS* |
| LC8301-126-75K | 75,000 lb | 34,000 kgf | 1.26 | DP41-S,DP25B-S,DPiS* |
| LC8301-126-100K | 100,000 lb | 45,250 kgf | 1.26 | DP41-S,DP25B-S,DPiS* |
| LC8302-151-150K | 150,000 lb | 68,000 kgf | 1.51 | DP41-S,DP25B-S,DPiS* |
配有5点NIST可溯源校准和59kΩ分流数据。
*4位仪表。
**留言/来电访问广州市赛拓仪器科技有限公司以获取兼容的仪表。