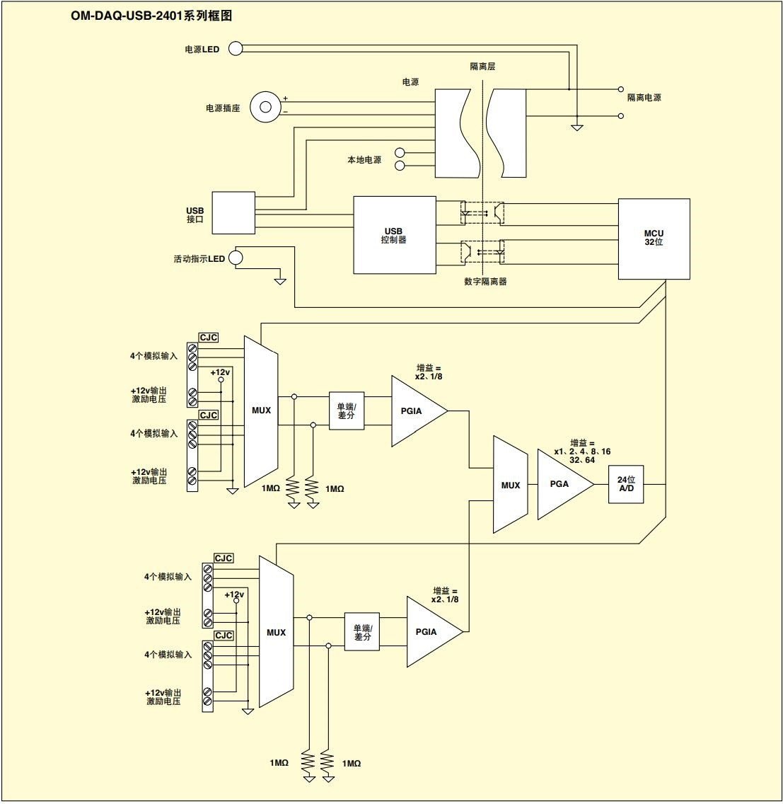
OM-DAQ-USB-2401是一款全速USB 2.0热电偶/电压输入数据采集模块(完全兼容USB 1.1和USB 2.0端口)。该独立模块从USB端口获得工作所需的电源也可以使用外部电源(可选)。所有可配置的选项(包括各通道输入类型与范围)都可以通过软件编程。OM-DAQ-USB-2401具有用户可编程的电压输入,其范围是±30 mV~±10V(满量程)。紧凑、模块化的外形确保其在多种应用场合简单易用。利用随附安装件,可以将数据记录器安装到DIN导轨或墙壁上,还可以方便地在工作台上操作。所有模拟输入通道都可以按顺序测量,每条通道测量至快大约需1ms。每秒总共可以测量1000个采样,采样均分在所有打开的测量通道中。*
*注:采用至高扫描速率时,一个通道打开时为1000个采样/秒 ±1%,所有通道打开时为1000个采样/秒 ±5%。
规格:
隔离:与PC之间设有500V隔离
外部激励输出电压:12 Vdc稳压电源,至大总电流输出为67 mA
电源要求:直接通过USB端口供电,至大电流500mA;或者由外部7.5~12Vdc电源供电
环境要求:0~50℃(0~122℉),相对湿度95%(无冷凝)
工作温度:0~50℃(32~122℉),相对湿度95%,无冷凝
储存温度:-40~85r(-40~85℉)
重量:0.23 kg (0.5 lb)
外形尺寸:107(宽) x 128(长) x 39 mm(高)(4.2 x 5.1 x 1.5")
输入电压范围:可使用软件逐条通道对输入电压范围编程(差分/单端输入)
-10~10V -500~500mV
-5~5V -250~250 mV
-2.5~2.5V -125~125 mV
-2~2V -75~75 mV
-1~1V -30~30 mV
热电偶输入
热电偶精度:通常,在极低速模式下,分辨率为24位
| 分度号 | 入信号范围 | 精度 |
| J | -18~1200℃ (0~2192℉) | ±1.1℃ |
| K | -129~1372℃ (-200~2502℉) | ±1.2℃ |
| T | -101~400℃ (-150~752℉) | ±1.1℃ |
| E | -184~1000℃ (-300~1832℉) | ±1.0℃ |
| R | 204~1768℃ (400~3214℉) | ±2.5℃ |
| S | 204~1768℃ (400~3214℉) | ±2.6℃ |
| B | 538~1820℃ (1000~3308℉) | ±3.3℃ |
| N | -129~1300℃(-200~2372℉) | ±1.5℃ |
冷端补偿精度:±1.0℃
模拟输入精度:
差分输入:通常,在极低速模式下,精度为读数的0.015% 量程的0.004% 10uV(不包括噪声)
单端输入:通常,在极低速模式下,精度为读数的0.05% 量程的 0.01% 50uV(不包括噪声)
USB设备类型:USB 2.0(全速版)
设备兼容性:USB 1.1、USB 2.0
电源:通过USB或9 Vdc通用适配器(随附)供电
适用于导轨应用的DIN导轨安装式:可选
热电偶开路检测:当某条通道配置为热电偶传感器输入时,该功能便自动启用
订货信息:
| 型号 | 描述 |
| OM-DAQ-USB-2401 | 8/16通道热电偶/电压输入USB数据采集模块 |
| OM-DAQ-USB-CABLE | 1.83 m (6') USB电缆 |
| UNIV-AC-100/240 | 9 Vdc通用电源适配器(备用) |
| OM-DAQ-USB-TB | 接线端子(4件装)(备用) |
订购示例:OM-DAQ-USB-2401,数据采集模块和OM-DAQ-USB-TB,备用接线端子。
