此产品已停产。
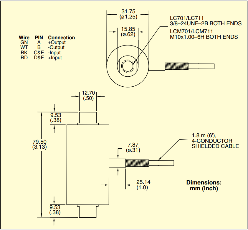
这些不锈钢称重传感器是测量在线张力的理想选择。应用范围从起重机上的电缆、建筑设计中的支撑杆、发动机试验台到工业称重应用。LC701张力连杆有一根6英尺(2米)的电缆,而LC711有一个集成的MS型连接器。
LC701和LC711还提供公制配置,范围从0-50到0-1000 kgf和公制螺纹。请参阅LCM701了解完整详情,或联系广州市赛拓仪器科技有限公司了解更多信息。
规格
输出:3 mV/V ±0.25% FSO
激励:10 Vdc(至大15V)
线性度:
>100 lb:±0.10% FSO
≤100 lb:±0.20% FSO
滞后:±0.10% FSO
重复性:±0.05% FSO
零点平衡:±1.0% FSO
工作温度范围:-46至121℃(-50至250℉)
补偿温度范围:16至71℃(60至160℉)
热效应:
零点:±0.0045% FSO/℃
量程:±0.007% 读数/℃
安全过载:容量的150%
极限过载:容量的300%
桥阻:350 Ω
满量程偏转:0.025至0.102 mm(0.001至0.004“)
保护?等级:IP65
结构:不锈钢
电气:
LC701/LCM701:1.8m(6')绝缘4芯屏蔽电缆
LC711/LCM711:DT02H-10-6P集成连接器
配接连接器,LC711/LCM711:PT06F10-6S,单独出售
重量:0.45千克(1磅)

OMEGA称重传感器订货信息:
| 电缆风格型号 | 连接器风格型号 | 容量 | 兼容的仪表 |
| 标准型号 |
| LC701-100 | LC711-100 | 100 lb | 45 kgf | DPiS, DP41-S, DP25B-S |
| LC701-250 | LC711-250 | 250 lb | 114 kgf | DPiS, DP41-S, DP25B-S |
| LC701-750 | LC711-750 | 750 lb | 341 kgf | DPiS, DP41-S, DP25B-S |
| LC701-1K | LC711-1K | 1000 lb | 455 kgf | DPiS, DP41-S, DP25B-S |
| LC701-2K | LC711-2K | 2000 lb | 909 kgf | DPiS, DP41-S, DP25B-S |
| 公制型号 | | | | |
| LCM701-50 | LCM711-50 | 50 kgf | 110 lb | DPiS, DP41-S, DP25B-S |
| LCM701-500 | LCM711-500 | 500 kgf | 1100 lb | DPiS, DP41-S, DP25B-S |
| LCM701-1K | LCM711-1K | 1000 kgf | 2200 lb | DPiS, DP41-S, DP25B-S |
| 配件 |
| REC-038M | 3/8-24 male rod end |
| PT06F10-6S-R | LC711/LCM711系列负载单元的交配连接器 |
配有5点NIST可追溯校准和59 kQ分流数据。