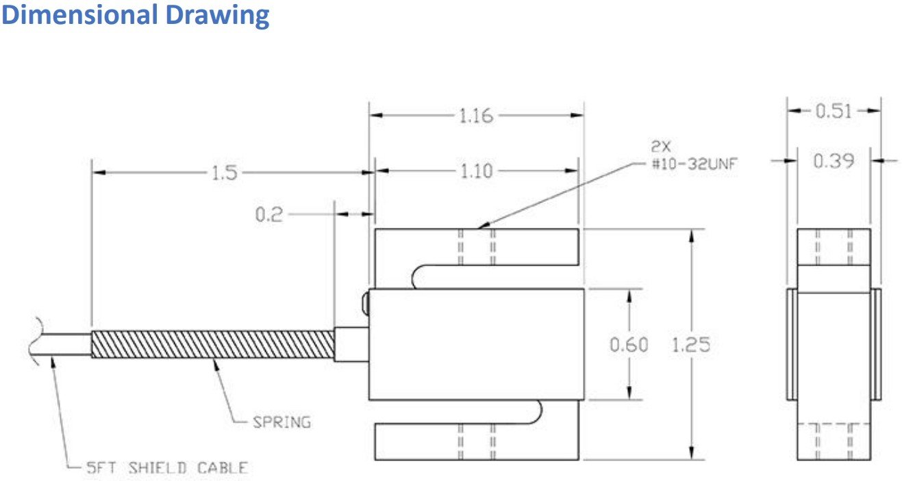
LC107系列是微型S型梁称重传感器。这些称重传感器非常小,大约是四分之一-5磅的大小,而更低的量程仅为0.75英寸x0.67英寸x0.27英寸!10到20磅容量的单元仅为1.25英寸x0.5英寸x1.1英寸-比回形针还小!
LC107产品是紧凑、轻便的称重传感器,采用双梁技术制造。它们设计用于在不牺牲精度的情况下测量超低的张力和压缩力。线性度通常是为了换取小尺寸的微型称重传感器而做出的权衡。然而,LC107具有0.1%的高线性度,即使在至低10磅的容量下也是如此。它们还具有温度补偿功能,并经过NIST拉伸校准,以实现出色的性能。它们具有300%的过载保护和不锈钢结构,可提高耐用性和使用寿命。这些微型S型梁称重传感器非常适合需要高精度的空间受限区域。潜在应用包括秤、其他称重组件、装配机械、包装机械、测试设备、机器控制反馈等。
有关S型梁称重传感器、在称重应用中使用称重传感器、测试称重传感器以及一般常见问题解答的更多信息,请查看以下内容。我们的附件部分还包含一系列仪表和信号调节器,可与我们的LC107系列搭配。这些附件可以提供数字读数、信号调节和USB连接。如果您需要有关构建系统或设置LC107称重传感器的更多信息,请联系广州市赛拓仪器科技有限公司。
规格
| 输出 | >= 10lbs.: 2 mV/V ±10% FSO <10lbs.: 2 mV/V ±25% FSO |
| 励磁 | 5 Vdc Nominal, 12 Vdc Maximum |
| 线性 | ±0.1% FSO |
| 磁滞现象 | ±0.1% FSO |
| 重复性 | ±0.05% FSO |
| 零余额 | ±1.0% FSO |
| 工作温度范围 | -40 to 93℃(C158-40 to 200℉) |
| 补偿温度范围 | 15 to 71℃ (60 to 160℉) |
| 热效应-零 | ±0.009% FSO/℃ (±0.005% FSO/℉) |
| 热效应-跨度 | ±0.009% FSO/℃ (±0.005% FSO/℉) |
| an全重载 | 150% of capacity |
| 极限过载 | 300% of capacity |
| 入口保护 | IP40 |
| 材料 | 不锈钢,带铝侧盖 |

订货信息:
| 型号 | 描述 |
| LC107-10 | 10 lbf,±0.10%,线性度,2 mV/V输出,电缆 |
| LC107-15 | 15 lbf,±0.10%,线性度,2 mV/V输出,电缆 |
| LC107-20 | 20 lbf,±0.10%,线性度,2 mV/V输出,电缆 |
| LC107-1 | 1 lbf,±0.10%,线性度,2 mV/V输出,电缆 |
| LC107-2 | 2 lbf,±0.10%,线性度,2 mV/V输出,电缆 |
| LC107-5 | 5 lbf,±0.10%,线性度,2 mV/V输出,电缆 |